REHAU
Упорный уплотнитель REHAU обеспечивает прижим створки к раме по всему периметру. Современные окна имеют два контура уплотнения: на раме и на створке, таким образом обеспечивая максимальную защиту от воздействий внешней среды. REHAU - самая известная компания на рынке светопрозрачных конструкций. Ее история началась в далеком 1948 году в послевоенной Германии в небольшом одноименном городе Рехау. Основал компанию Гельмут Вагнер, поначалу она состояла из 3 сотрудников и 1 экструдера ( современный пластиковый профиль для окон экструдируется из пвх крошки и специальных добавок перемешанных в ней). Изначально компания выпускала выпускала обувные подметки, садовые шланги и детали для автомобилей. Уже в 1958 году компания экструдировала пластиковый профиль и с этого времени начался стремительный взлет. В 1959 году компания выходит на североамериканский рынок и открывает свой первый офис в Нью-Йорке. Позднее началось сотрудничество с VW и BMW, а недавно компания подписала контракт с AIRBUS. Свой первый офис в России компания открыла в 1995 году. На сегодняшний день в состав компании входит 41 завод и 105 офисов продаж. Окна, изготовленные из профилей REHAU удовлетворят самого взыскательного покупателя. В линейке профилей представлены как 60 мм системы ( BLITZ, THERMO) так и 80 мм ( INTELIO).
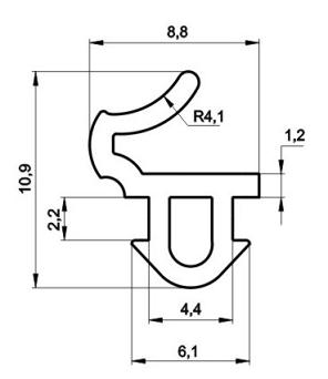
REHAU под стекло
Этот уплотнитель исключает продувание в местах прилегания стеклопакета к раме или створке. В REHAU используются уплотнители из ЭПДМ. Уплотнитель вставляется в специальный паз, протягивается по всему периметру и склеивается в месте стыка.
VEKA
Уплотнитель VEKA внешне отличается от уплотнителя REHAU. Но та часть уплотнителя, которая прилегает к профилю может иметь какую угодно форму. Главной причиной несовместимости уплотнителей является разная ширина паза в профиле, поэтому уплотнитель от другого профиля может с трудом вставляться либо, наоборот, выскакивать из паза. Как заявлено на официальном сайте этой компании, она является ведущим мировым производителем оконных систем. Поверим им на слово, но остановимся подробнее. В России компания VEKA представлена широко, она имеет 2 завода ( Подмосковье и Новосибирск), а штаб-квартира расположена в немецком городе Зендехорст, а также VEKA имеет прочные позиции на Украине, в США, Индии, Китае и еще во многих странах мира согласно википедии. Линейка профильных систем представлена достаточно: имеются бюджетные профили с системной шириной 58 мм и с 3 камерами ( Euroline), а также премиум класса с системной шириной 82 мм с 7/6 камерами ( Softline). Согласно данным яндекс ворд за сентябрь 2020 года запрос «Окна VEKA» в московском регионе пользователи поисковой системы яндекс ввели 1600 раз, больше только «Окна REHAU» - 4000 раз.
KBE
В отличии от REHAU у КВЕ уплотнитель под стеклопакет бывает коэкструдирован в профиль. Это облегчает работу сборщика окон. Но коэкструдированы могут быть только уплотнители ТЭП. Упорный уплотнитель КВЕ-228 среди оконщиков получил название «ремонтный». Он подходит для любых профилей и обеспечивает максимальную защиту от продувания. Единственный его минус – больше усилия при закрывании створки. КBE ( Kunststoffproduktion für Bau und Elektrotechnik – производство пластмасс для строительства и электротехники) так пишется и переводится название компании с немецкого изначально располагавшейся в Восточной Германии ( Берлин) . Она была основана в 1980 году и изначально занималась производством пластмасс для стройки и электротехники. В 1985 году они начали экструдировать оконные профили, а в 1986 году стали поставлять их Великобританию. Далее компания объединилась с брендами TROCAL и KÖMMERLING и под названием Рrofine GmbH В 1995 году открывается представительство в России, в дальнейшем они участвуют в написании российских оконных гостов и открывают два ( Воскресенск, Хабаровск) завода в нашей стране. В 2007 году в результате разразившегося мирового экономического кризиса их купил исламский банк прямых инвестиций. Заводы выпускает ка бюджетные профили 58 серии с 3 воздушными камерами и 2 контурами уплотнения ( KBE ETALON) так и профили класса премиум 76 серии с 6 воздушными камерами и 3 контурами уплотнения (KBE PREMIUM).
SALAMANDER
Уплотнитель SALAMANDER внешне похож на уплотнитель VEKA-10, но имеет немного другие геометрические размеры. В последнее время вместо него часто используется уплотнитель Dfi53, который подходит также для профилей LG, TROCAL, PLAFEN. SALAMANDER - немецкий вековой бренд, который ведет свою историю с 1885 года, когда Якоб Зигле в городе Корнвестхайн занялся производством обуви под брендом Salamander. Производством пластиковых профилей для окон пвх компания начала заниматься в 1964 году, а в 2001 году Salamander поглотила одного из старейших производителей оконных систем в Германии Brügmann. В 2008 году Salamander приобретает завод «БелБауПласт» и с этого времени начинает выпускать оконнные профили в Белоруссии, с ориентацией на рынок СНГ. В 2011 году концерн открывает свой логистический центр в России во Владимире. Продукцию компании можно смело отнести к премиум сегменту. Компания экструзирует как привычные профили с системной шириной 60 мм и з-мя воздушными камерами ( Salamander Design 2 d), так и эксклюзивные профили с системной шириной 92 мм с 6 камерами в створке и стеклопакетом до 60 мм ( Salamander bluEvolution 92).
BRUSBOX
BRUSBOX – один из отечественных аналогов профиля REHAU. Поэтому все дополнительные элементы взаимозаменяемы. Соответственно, уплотнители REHAU идеально подойдут и для BRUSBOX.BRUSBOX - российский бренд производит пластиковые оконные профили и подоконные доски с 2004 года. Компания расположена в Брянске и работает на экструзионном оборудовании немецкой фирмы KraussMaffei Technologies GmbH. Главными преимуществами является цена при достаточном качестве. Профиль не желтеет со временем и не лопается на морозе. Хорошо работает логистическая служба, что не мало важно для переработчиков профиля. Хитом продаж является профиль с системной глубиной 60 мм, з воздушными камера и толщиной наружных стенок 2,5 мм (BRUSBOX AERO). Есть у компании и профили потехнологичнее, например BRUSBOX 70-6 ( системная глубина 70 мм, 6 камер, толщина лицевых стенок 3 мм, сопротивление теплопередаче — 1,02 м2С/Вт (без армирования).
LG
Уплотнитель LG900 снят с производства и заменен на универсальный уплотнитель DFi53.
REACHMONT
Еще один аналог REHAU. По своим геометрическим размерам он в точности повторяет профили REHAU BASIC и EURO DESIGN. Компании, перерабатывающие профили REHAU, зачастую перерабатывают и REACHMONT в качестве бюджетного варианта, используя при этом одни и те же уплотнители. REACHMONT ( MONTBLANC) - российский бренд, который начал работать в 2001 году в Электростали. Нетрудно догадаться, что это оба бренда контролируются одним юридическим лицом. В ассортименте MONTBLANC имеется 7 профильных систем. Самой бюджетной является MONTBLANC Logic ( системная глубина 58 мм и 3 воздушные камеры), а премиум класса MONTBLANC GRAND 80 ( системная глубина 80 мм и 6 воздушных камер). Профиль REACHMONT ECO имеет британские корни и полностью совместим с профильной системой REHAU ( BLITZ, THERMO) имеет глянцевую поверхность и высокое качество. Некоторые переработчики REHAU вместо оригинального штапика используют штапик REACHMONT, что не снижает качества окна. Многие производители окон работают с профилями REACHMONT из-за низкой цены и высокого качества.

























































































